Our projects
Plastic optical components

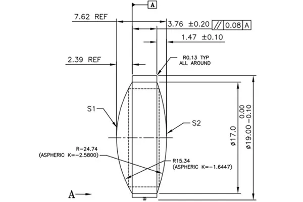
Automotive optical lens

Led lens

VR Lenses, Reading Glasses, safety goggles

Advanced Optical Lenses

Energy Storage Battery Enclosure

Custom Clear Plastic Gifts
Core Business & Capabilities
Integrating R&D, Mold Manufacturing, and Production under ISO 9001:2015.
IT & Mold Design
Full product structure evaluation, mold flow analysis, and optical simulation optimization.
Ultra-Precision Machining
Single Point Diamond Turning (SPDT) for high-precision optical cores and mirror polishing.
Optical Injection
Expertise in PMMA, PC, and specialist materials for complex lenses like HUD and VR optics.
Scientific QC
Comprehensive 5S management and IQC/IPQC/OQC systems ensuring zero defects.
Design vs. Production
Bridging the gap between creative concepts and technical excellence through accurate 3D modeling and engineering.
From Sketch to Finished Goggles
Turning design ideas into production-ready optical products including precision lenses for protective eyewear.
From Sketch to Production
We turn initial sketches into production-ready optical lens cover designs for sport camera applications, ensuring precise fit and stable optical performance.
From Sketch to 3D Model
We convert optical concepts and technical drawings into accurate 3D models, ensuring correct geometry, optical performance, and assembly fit for production.
Mold Design & Tooling Machining
We deliver manufacturing-focused mold design and tooling machining solutions to ensure stable production and consistent part quality.
- Manufacturing-oriented mold design
- 3D modeling and structural validation
- Tool material selection guidance
Design Analysis & Project Review
We create accurate 3D product models and conduct structured project reviews to ensure design intent is fully aligned before tooling begins.
- requirement clarification
- manufacturability validation
- risk assessment
High-Precision Mold Manufacturing & Injection Molding
We focus on machining accuracy and process control, not just speed. Each mold is inspected and validated before delivery.
- Precision machining
- Quality verification
- Reliable lead times
Injection Production & Process Optimization
we use high precision injection molding, lenses go through vacuum coating,to improve durability and light transmission.
- Optical Surface Coating
- Anti-Fog Treatment
- Hard Coating
Product Inspection & Quality Testing
Inspection & Metrology Equipment including Decenter Measurement System,Roundness Tester,Optical Interferometer,PGI Matrix Etc
- Nano-Level Surface Accuracy
- Micron Precision Geometry
- Perfect Axis Alignment
Shipment Arrangement & Logistics Coordination
You can rely on our logistics expertise, covering safe handling, reinforced packaging, and worldwide delivery.
- Secure handling
- Reinforced packaging
- Worldwide shipping
Why Partner With Us?
- 15–20 years of mold engineering experience to prevent issues early.
- Experienced export team ensuring smooth communication and optimized logistics.
- Fast response to unexpected issues during production.
- 100-person engineering team supporting fast turnaround and low-volume production.


Advanced Manufacturing Facility
Our facility is equipped with high-precision Sumitomo and Fanuc injection molding machines, Makino CNC centers, and a Class 10,000 clean room.
Monthly Capacity: 5M+ Units
Mold Tolerance: ±0.005mm
100% Optical Inspection
Explore Our Facility →
Start Your Project Today
Looking for a reliable optical manufacturing partner? Send us your drawings or requirements. Our engineering team provides DFM feedback within 24 hours.
Our Exhibition Journey
Capturing the energy of innovation. Browse moments of discovery and dialogue from our global exhibition presence.







Factory & Manufacturing Strength
Founded in 2005, Dongguan Zhanjian Optoelectronics Technology Co., Ltd. is an ISO 9001 certified manufacturer integrating optical design, precision mold manufacturing, and injection molding production.
What peoples say about us
All testimonials are from long-term OEM and industrial clients.

Ozella Crummell
Automotive / Sensor Industry
“They provided us with custom optical lenses for automotive rain sensor applications. Their engineering team clearly understood our technical requirements and delivered stable quality with consistent performance. Most importantly, their lead time was reliable, which helped us keep our project on schedule.”

Ethan Miller
LED / Lighting Industry
“We worked with Zhanjian on customized LED optical lenses with specific beam angles. From mold design to mass production, the entire process was well-managed and transparent. Their in-house mold and injection capabilities significantly reduced development time.”

Daniel Schneider
OEM / Custom Project
“They is not just a supplier, but a solution partner.
They supported us from optical design, mold manufacturing to final injection production.
Their ISO 9001 quality system and strict inspection process gave us confidence for long-term cooperation.”
Ready to discuss your optical project?
Contact our engineering team to explore manufacturable solutions for your optical mold and injection molding requirements.







